2024-09-02
2024-09-02
2024-04-12
2024-02-23
2024-01-05
2023-12-27
2023-11-07
2023-07-06
2023-04-25
2023-03-09
2021-12-17 访问量:835 来源:无锡有容
关于有容微电子
无锡有容微电子有限公司创立于2018年,是由具有丰富芯片设计经验的海外和国内优秀团队创办的高性能模拟射频芯片本土设计公司。研发人员均为硕士及以上学历,其中博士5人(包括高层次人才计划专家2人)。核心团队曾就职于Broadcom, Intel, Philips, Marvell, Skyworks等国际著名半导体公司,拥有20年以上的芯片研发、设计、量产经验。公司立足于国产芯片的市场优势,致力于模拟射频芯片高性能、高可靠性的突破。公司成立三年多以来,已拥有高性能时钟芯片和模拟开关芯片两条主力产品线,出货量逾数千万颗。
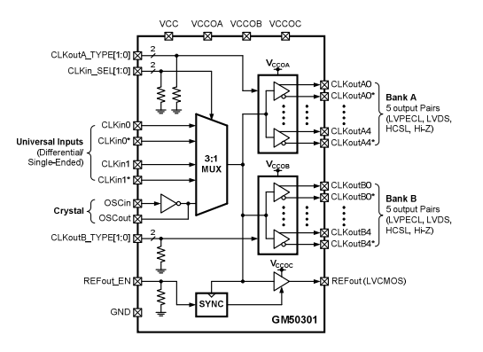
其中,GM50301是有容微电子推出的又一高性能时钟缓冲器芯片。

时钟缓冲器常被用于需要分发时钟信号的时钟应用中,因此要为时钟应用选择合适的时钟缓冲器, GM50301时钟缓冲器则满足这一条件,它是通用输入、10路差分输出、超低附加抖动的时钟扇出缓冲器/电平转换器。



图2:100MHz 时的 LVPECL 相位噪声

图3:100MHz 时的 LVDS 相位噪声

图4:100MHz 时的 HCSL 相位噪声
GM50301主要技术特点:
◆3:1输入多路复用;
①两个通用输入运行频率高达 2.5GHz,且支持 LVPECL、LVDS、CML、SSTL、HCSL或单端时钟;
②单个晶振输入支持 10 至 40 MHz 的晶振或单端时钟;
◆使用GM5528作为低抖动156.25M时钟源时,LVPECL输出附加抖动:51fs RMS ( 12KHz 至 20MHz ),灵活性比同类竞品高;
◆高PSRR:-65/-76dBc(LVPECL/LVDS)@156.25MHz;
◆Vcc内核电源:3.3V ± 5%,简化系统设计;
◆ 3个独立的Vcco输出电源 :3.3V/2.5V ± 5%;
◆工业温度范围:-40℃ 至 +85℃;
◆QFN48_7*7mm封装。
应用领域